열병합발전용보일러

Features 특징
  • Reduce Cost 전략과 열을 동시 생산하여 생산원가 절감
  • Bring Down Loss 안정된 정기공급을 확보하여 발전 단가가 낮고 송·배전의 손실 감소
  • Maximum Production 양질의 전저기 및 중기 공급을 통한 높은 생산성
  • Increase Energy Efficiency 에너지 비용이 대폭 절감되어 에너지 이용효율 증가
  • Apply to All Industrial Classification 산업체의 업종에 따라 모두 설치 가능
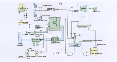
Flow Diagram 보일러의 배관계통도
Efficiency of Co-Generation Boiler 열방합발전의 효율성

  • 1복수기 대신 공정내의 열교환기, 건조기 등에서 증기의 잠열을 회수하여 이용하므로 복수기능과 잠열회수기능이 동시에 이루어진다.
  • 2터빈출구가 증기압력은 대기압 이상이며 증기가 가지고 있는 열량의 5~18%만 전력으로 변환되고 나머지는 증기에너지로 공정에 직접 이용한다.
  • 3전력으로 변환된 만큼 증기열량이 감소하면 증기의 SS FLOW로 보상해주면 STEAM BALANCE는 변동이 없다.
  • 4CALORIE 당 단가는 전력이 스팀조다 약 4배 고가이다.
  • 5열병합발전 시스템은 터빈에 증기를 통과시켜 필요한 증기압력을 얼음과 동시에 칼로리당 4배의 고가인 전력을 부산물로 얻어 전력비를 절감한다.
위로 스크롤